Lefoo 2000 - 2025
Lefoo 2000 - 2025
Mailen Sie uns

LFG202
Kanal-CO2-Monitor-Transmitter

Holen Sie sich ein Zitat Holen Sie sich ein Zitat PDF herunter laden PDF herunter laden

LFG202 Kanal Kohlendioxid Transmitter basiert auf verschiedenen Gasen mit unterschied lichen Absorptions fähigkeiten für Infrarot licht in einem bestimmten Band. Es misst die Konzentration des gemessenen Gases, indem es den Grad der Infrarot licht absorption misst. Im Vergleich zu elektro chemischen Sensoren hat es eine lange Lebensdauer und eine gute Stabilität. Der importierte Hochleistungs-NDIR-Sensor wird für die Messung der CO2-Konzentration verwendet, mit schneller Reaktion, stabiler Leistung und hoher Genauigkeit; breiter Strom versorgungs bereich und hohes Schutzniveau der Schale, die sich an verschiedene harte Bedingungen vor Ort anpassen können. Es kann weit verbreitet bei der Messung der CO2-Konzentration in Kanälen, Büros, Werkstätten, Labors und anderen Umgebungen verwendet werden.

  • Importierter Hochleistungs-NDIR-Sensor.

  • Der Sensor ist sauerstoff frei und hat eine Lebensdauer von mehr als 5 Jahren.

  • Das interne wasserdichte und atmungsaktive Membran design verhindert effektiv das Eindringen von Wasserdampf.

  • Gute Langzeit stabilität und Zuverlässigkeit mit ABC-Selbst kalibrierung.

SPECIFICATION
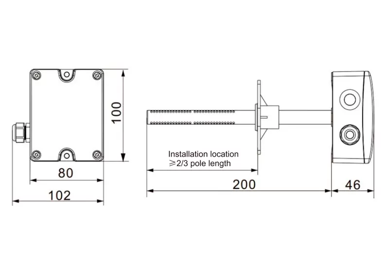
Dimension
Dokumente & Zeichnungen
Verwandte Anwendung

SPECIFICATION

Ausgabe modus

4 ~ 20mA (3-Draht)

0 ~ 5V (3-Draht)

0 ~ 10V (3-Draht)

RS485 (3-Draht)

Arbeits spannung

10-30Vdc

10-30Vdc

16-30Vdc

10-30Vdc

Sensor

NDIR-Sensor mit ABC-Selbst kalibrierung

Durchschnitt licher Strom

<40mA

Arbeits temperatur

0 ° c ~ 50 ° c

Arbeits feuchtigkeit

0-85% RH (kein Frost)

Konzentration messen

0-2000PPM/0-5000PPM

Genauigkeit

±(40PPm + 3% MV)ppm

Reaktions zeit

2min

Schutzklasse

ShellIP65/Sonde IP30

Elektro magnetische Verträglich keit

EN61326-1

Lebensdauer

> 5 Jahre


Dimension

Dimension

Dokumente & Zeichnungen

Verwandte Anwendung

Kontaktieren Sie uns
Benötigen Sie die Produkte und Unterstützungen von LEFOO?
sales@lefoo.com
E-Mail
sales@lefoo.com
+86-0571-89363666
Rufen Sie uns an
+86-0571-89363666
Adresse
Adresse
NO.220 Weishiwu Rd. Economic Development Zone, Yueqing Zhejiang, 325600, China.
Please choose your items of interest *
Wir verwenden Cookies, um Ihre Erfahrung zu optimieren und zu personalisieren, aber Sie können sich dafür entscheiden, nicht unbedingt notwendige Cookies zu deaktivieren.
Um mehr zu erfahren, lesen Sie unsere Datenschutzrichtlinie
Alle ablehnen
Alle akzeptieren