Lefoo 2000 - 2025
Lefoo 2000 - 2025
Mailen Sie uns

Lafm76
Explosions geschützte Differenz druck transmitter

Holen Sie sich ein Zitat Holen Sie sich ein Zitat PDF herunter laden PDF herunter laden

LFM76 Explosions geschützte Differenz druck transmitter ist ein Gerät mit hoher Genauigkeit und hoher Stabilität, das für eine Explosions risiko umgebung ausgelegt ist. Es ist mit mehreren optionalen Druckbereichen ausgestattet, mit einer einfachen Einstellung vor Ort über Tasten. Verwenden Sie lp65-Gehäuse, geeignet für Energie managements ysteme, HLK-, VAV-und Lüfters teuerung, Kontrolle der Umwelt verschmutzung, Druck-und Rauch haube Kontrolle der statischen Pipeline und des Reinraums, Ofen druck be aufschlag ung, und Kessel belüftung steuerung.

  • Verwenden Sie MEMS-Mikro druck kern mit hoher Genauigkeit und großem Arbeits temperatur bereich.

  • LCD-Digital anzeige mit klarem Lesen.

  • Null-Taste verfügbar, Druckbereich einstellbar.

  • Starke Stabilität, lange Lebensdauer.

  • IP65 Schutzniveau gehäuse.

SPECIFICATION
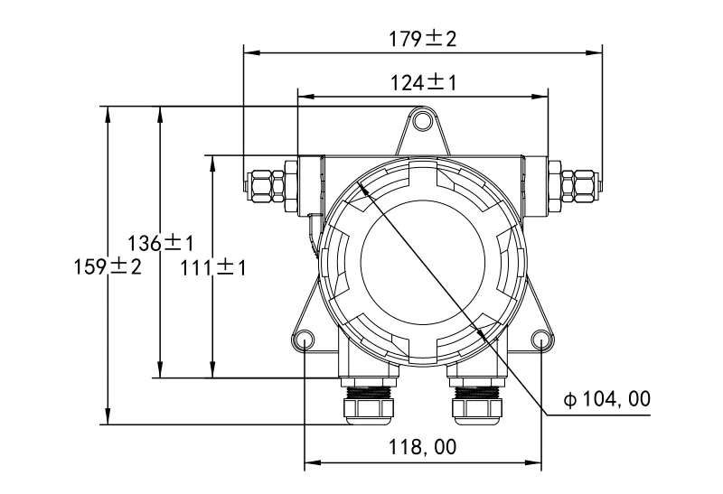
Dimension
Dokumente & Zeichnungen
Verwandte Anwendung

SPECIFICATION

Mess mediumLuft oder neutrales Gas
Druckbereich± 100Pa ~ ± 10000Pa (angepasst)
Überspannung10KPa; 80KPa(LFM76-3)
Genauigkeit± 1,0% FS
Arbeits temperatur-20 ° C ~ 80 ° C
Kompensation temperatur-10C ~ 60 ° C
Lagerte mperatur-40 ° c ~ 85
Reaktions zeit0,5 s (Standard)/1,0 s /2s /4s
Schutz gradIP65
Druck anschlussEdelstahl 1/2 "Schnell verbindung
Ausgangs signal4 ~ 20mA/0 ~ 10VDC/RS485
Strom versorgung12 ~ 30VDC/24VAC ± 20%
Macht ableitung≤ 1,5 W
Schalen materialAluminium guss
KommunikationRS-485 Standards chnitt stelle, Modbus RTU-Protokoll
ZertifizierungROHS, CE
Explosions sicheres CertEXdLLC T6 Gb
AnzeigeLCD-Digital anzeige
Gewicht (Ungefähre)1362g

TeWenn das Produkt mit Wechselstrom betrieben wird, wird empfohlen, eine isolierte Wechselstrom versorgung zu verwenden.


Dimension

Dimension
Dimension

Dokumente & Zeichnungen

Verwandte Anwendung

Kontaktieren Sie uns
Benötigen Sie die Produkte und Unterstützungen von LEFOO?
sales@lefoo.com
E-Mail
sales@lefoo.com
+86-0571-89363666
Rufen Sie uns an
+86-0571-89363666
Adresse
Adresse
NO.220 Weishiwu Rd. Economic Development Zone, Yueqing Zhejiang, 325600, China.
Please choose your items of interest *
Wir verwenden Cookies, um Ihre Erfahrung zu optimieren und zu personalisieren, aber Sie können sich dafür entscheiden, nicht unbedingt notwendige Cookies zu deaktivieren.
Um mehr zu erfahren, lesen Sie unsere Datenschutzrichtlinie
Alle ablehnen
Alle akzeptieren