Lefoo 2000 - 2025
Lefoo 2000 - 2025
Mailen Sie uns

LF20V
Vakuum-Druckschalter

Holen Sie sich ein Zitat Holen Sie sich ein Zitat PDF herunter laden PDF herunter laden

LF20-V Vakuumschalter wurde speziell entwickelt, um Anwendungen mit erweitertem Dienst stand zustellen. Dieser Schalter ist Faktor y eingestellt. Es verfügt über eine Fluorsilikon-Gummi membran für die Kompatibilität mit einer Vielzahl von Flüssigkeiten und verschiedene Anschlüsse, einschl ießlich eines Metri-Pack-Steck verbinders, der beim Anschließen eine dichte Abdichtung bildet. Zu den herausragenden Design vorteilen zählen die langlebige Konstruktion, die kompakte Größe und die verbesserte Set-Point-Integrität.


Parameter
Dimension
Dokumente & Zeichnungen
Verwandte Anwendung

Parameter

ModellLF20-V
MedienLuft
Druck-Set-PunktFaktor y Set von 1,1 bis 22 in/Hg Vakuum
Max Betriebs druck30 in/Hg Vakuum
Druck plasten150 psi
Opeating Temperatur bereich-40 ° C bis 120 ° C
Schalter typDirekte Aktion, Klingen kontakt
Elektrische BewertungWiderstands fähig: 15AMP-6VDC, 8AMP-12VDC, 4AMP-24VDC
Induktiv: 1AMP-120VAC, 0,5 AMP-240VAC
Kontakt vereinbarungSPST-NO, NC
Terminal#8-32 Schrauben, 1/4 "Klinge, Metri-Pack
Anschluss1/8 "NPT männlich, 1/4" NPT männlich, G1/8 "männlich, G1/4" männlich
MaterialKontakt: Silber legierung, vergoldet; Basis: überzogener Stahl;
Abdeckung: glaee verstärkter Polyester; Membran: Fluorsilikon-Elastomer
OptionenVerschiedene Basis verbinder größen, Draht leitungen (eingetopft & versiegelt)

Umrechnung: 1kgf/cm² = 14,2 psi 1bar = 14,5 psi 1 in/Hg = 0,49 psi



ZahlDruck-Set-Punkt-BereichSchaltkreiseBasis materialAnschlussTerminalsAbdeckung
0/////Keine
11,1-3 "Hg (15-41" H20) ± 0,5 "HgSPST-NCBarss1/8NPT1/4 KlingeAbdeckung A
24-8 "Hg ± 1" HgSPST-NOÜberzogener Stahl1/4NPT# 8-32schraubenAbdeckung B
39-17 "Hg ± 2" Hg/EdelstahlR1/8Draht leitungen/
418-22 "Hg ± 3" Hg//R1/4//
5///G1/8//
6///G1/4//


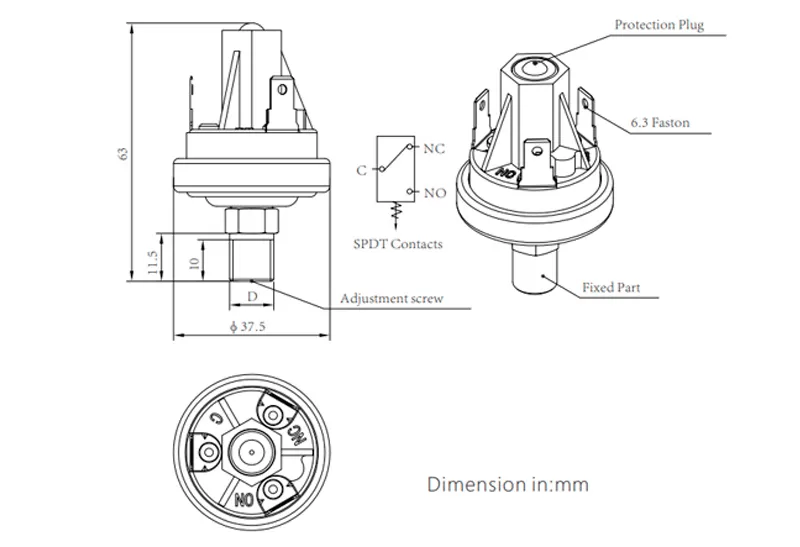
Dimension

Dimension

Dokumente & Zeichnungen

Verwandte Anwendung

Kontaktieren Sie uns
Benötigen Sie die Produkte und Unterstützungen von LEFOO?
sales@lefoo.com
E-Mail
sales@lefoo.com
+86-0571-89363666
Rufen Sie uns an
+86-0571-89363666
Adresse
Adresse
NO.220 Weishiwu Rd. Economic Development Zone, Yueqing Zhejiang, 325600, China.
Please choose your items of interest *
Wir verwenden Cookies, um Ihre Erfahrung zu optimieren und zu personalisieren, aber Sie können sich dafür entscheiden, nicht unbedingt notwendige Cookies zu deaktivieren.
Um mehr zu erfahren, lesen Sie unsere Datenschutzrichtlinie
Alle ablehnen
Alle akzeptieren