Lefoo 2000 - 2025
Lefoo 2000 - 2025
Mailen Sie uns

LFZ-Q schnell laufende Rotations aktoren

Holen Sie sich ein Zitat Holen Sie sich ein Zitat PDF herunter laden PDF herunter laden

LFZ-Q05/08/16/24/40 Serie Elektrische Dämpfer aktoren verwenden importierten Gleichstrom motor/bürstenlosen Motor, um Leistung zu liefern, mit Drehmomenten von 5NM, 8NM, 16NM, 24NM, 40NM zur Auswahl. Die Serien sind weit verbreitet in Eisenbahn transit, Belüftung system, Labor und anderen Bereichen, die eine schnelle Kontrolle benötigen. Sie sind einfach zu installieren und fx auf quadratischer Welle, kreisförmiger Welle oder anderen Formen von Dämpfer verbindungs wellen. Sie haben eine lange Lebensdauer, geringe Geräuschent wicklung und können eine intelligente Multifunktion steuerung erreichen. Die ganze Serie ist mit manueller Betriebs funktion und manueller Grenze, IP54 Schutzklasse, volle Überlastung schutz funktion, um eine sichere Verwendung zu gewährleisten.

Parameter
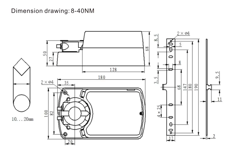
Dimension
Dokumente & Zeichnungen
Verwandte Anwendung

Parameter

Allgemeine

Wert



Elektrische Parameter

Nennspannung

AC24V 50/60Hz DC24V/AC100...240V 50/60Hz

Nennspannung bereich

AC/DC 19... 28,8 V/AC85V...AC265V

Strom verbrauch

Laufs tatus 4,5 W, Standby-Status 0,5 W

Kabel größe

0,5 mm²

Terminal größe

Max2mm ²




Funktions parameter

Drehmoment

5Nm

8Nm

16Nm

40Nm

48Nm

Geeignete Dämpfer größe

0,5 m²

1,2 m²

2,5 m²

1,2 m²

4,2 m²

Drehrichtung

Kann durch DIP-Schalter ausgewählt werden

Manuelle Anpassung

Der Aktuator kann nach dem Drücken der Ausrück taste des Zahnrad-Sets manuell eingestellt werden

Nomina/Maximum Comer

90 °/95 °

Geräusch pegel

46dBA (innerhalb von 1 Meter)

Standort angabe

Drehwinkel zur Verfügung gestellt durch Positions anzeige



Arbeits umgebung

Elektrische Qualität

(SELV) (doppelte Isolierung)

Grad des Schutzes

Ip54

Arbeits temperatur

-20 ° c ~ + 50

Lagerte mperatur

-30 ° c ~ + 80 ° c

Temperatur prüfung

95% RH, keine Kondensation/EN 60730-1


Dimensions zeichnung

L× W× H/mm

Siehe dimensionale Details

Mindest wellen länge

> 50mm

Gewicht

<1,3 kg



Modell

Ausgangs drehmomentStrom versorgungLaufzeitSteuersignalF Hilfs schalter

LFZ-Q0524/230-K/KF

5N

24V/230V

3.5S

On-Off-Steuerung

Zwei Sätze von Hilfs schaltern

LFZ-Q0524/230-M/MF

5N

24V/230V

3.5S

0(2)~ 10V/0(4)~ 20mA

Zwei Sätze von Hilfs schaltern

LFZ-Q0824/230-K/KF

8N

24V/230V

8S

On-Off-Steuerung

Zwei Sätze von Hilfs schaltern

LFZ-Q0824/230-M/MF

8N

24V/230V

85

0(2)~ 10V/0(4)~ 20mA

Zwei Sätze von Hilfs schaltern

LFZ-Q1624/230-K/KF

16N

24V/230V

16S

On-Off-Steuerung

Zwei Sätze von Hilfs schaltern

LFZ-Q1624/230-M/MF

16N

24V/230V

16S

0(2)~ 10V/0(4)~ 20mA

Zwei Sätze von Hilfs schaltern

LFZ-Q2424/230-K/KF

24N

24V/230V

<30S

On-Off-Steuerung

Zwei Sätze von Hilfs schaltern

LFZ-Q2424/230-M/MF

24N

24V/230V

<30S

0(2)~ 10V/0(4)~ 20mA

Zwei Sätze von Hilfs schaltern

LFZ-Q4024/230-K/KF

40N

24V/230V

<30S

On-Off-Steuerung

Zwei Sätze von Hilfs schaltern

LFZ-Q4024/230-M/MF

40N

24V/230V

<30S

0(2)~ 10V/0(4)~ 20mA

Zwei Sätze von Hilfs schaltern

Bestell informationen-KF/MF ist Serie mit Hilfs schalter, bitte vollständig angeben


Dimension

Dimension
Dimension

Dokumente & Zeichnungen

Verwandte Anwendung

Kontaktieren Sie uns
Benötigen Sie die Produkte und Unterstützungen von LEFOO?
sales@lefoo.com
E-Mail
sales@lefoo.com
+86-0571-89363666
Rufen Sie uns an
+86-0571-89363666
Adresse
Adresse
NO.220 Weishiwu Rd. Economic Development Zone, Yueqing Zhejiang, 325600, China.
Please choose your items of interest *
Wir verwenden Cookies, um Ihre Erfahrung zu optimieren und zu personalisieren, aber Sie können sich dafür entscheiden, nicht unbedingt notwendige Cookies zu deaktivieren.
Um mehr zu erfahren, lesen Sie unsere Datenschutzrichtlinie
Alle ablehnen
Alle akzeptieren